CAD-Software für die Fluidtechnik
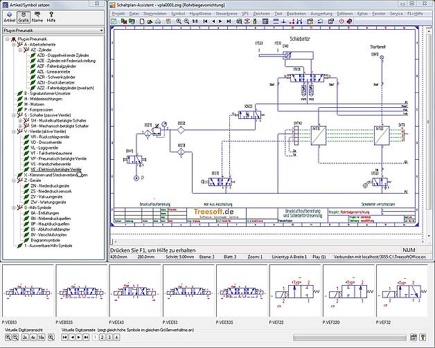
Normgerechte Pneumatik- und Hydraulikpläne nach der DIN ISO 1219 erstellst du mit der Treesoft CAD Symbolbibliothek Hydraulik beziehungsweise der Treesoft CAD Symbolbibliothek Pneumatik.
Treesoft CAD Symbolbibliotheken für die Fluidtechnik
Symbolbibliothek Pneumatik
Zusatzmodul für die normgerechte Erstellung von Pneumatikplänen.
Symbolbibliothek Hydraulik
Zusatzmodul für die normgerechte Erstellung von Hydraulikplänen.
Deine Vorteile mit Treesoft CAD Fluidtechnik
- DIN-gerechte und übersichtliche Hydraulikpläne, die einfach unschlagbar gut aussehen
- Spezielle Aufgaben besonders einfach oder sogar automatisiert mit Zusatzmodulen erledigen, beispielsweise CAD Konverter DWG und DXF, Angebotsgenerator zu MS-Word
- Enorme Arbeitsgeschwindigkeit durch Assistenten-Technologie, beispielsweise der Schaltplan-Assistent für die schnelle Erstellung und Auswertung von umfangreichen Dokumentationen der Hydraulik und Pneumatik
- Umfangreiche Symbolkataloge und einfache Symbolerstellung mit dem Symbol-Assistent
- Sehr gute Mausbedienung aber sehr einfache und extrem schnelle Tastaturbedienung
- Integrierte Projektverwaltung - Projekte transparent planen, verwalten und steuern
- Kompatibilitätsgarantie und Langzeitarchivierung von Hydraulikplänen
- Einzeln stark - zusammen unschlagbar - Treesoft CAD ist als Stand-Alone oder als Gesamtlösung mit Treesoft CRM und/oder Treesoft ERP einsetzbar, sowie mit Fremdprodukten einfach kombinierbar
- Attraktive Lizenzierungsmodelle speziell für Ausbildung, Schulen und Schüler
- Unschlagbares Preis-Leistungs-Verhältnis - ab 600 EUR bist du mit der komplett ausgestatteten Treesoft CAD BASIS-Version am Start. Konfiguriere deine CAD-Lösung, mit Auswertungs- oder Zusatz(zeiterspanis)modulen, nach Bedarf - jede weitere Benutzer-Lizenz kostet, inkl. aller erworbenen Module, nur 900 EUR!
Zusatzmodule Treesoft CAD
Treesoft CAD beinhaltet alle Funktionen, die man für steuerungs- und automatisierungstechnische Aufgabenbereiche sowie für die Elektroinstallationsplanung benötigt. Die leistungsfähigen Zusatzmodule erweitern unsere CAD-Software bedarfsspezifisch. Sie lohnen sich, um regelmäßige Projektierungen durch weitere Automatisierungen zu vereinfachen und so massiv Zeit einzusparen, die du in neue Projekte investieren kannst.
- für Steuerungstechnik
- für Gebäudetechnik
- für Fluidtechnik
- Treesoft CAD Starterpakete
- Treesoft CAD Zusatzmodule

