Treesoft CAD Symbolbibliothek Pneumatik
Zusatzmodul für die normgerechte Erstellung von Pneumatikplänen / Fluidplänen
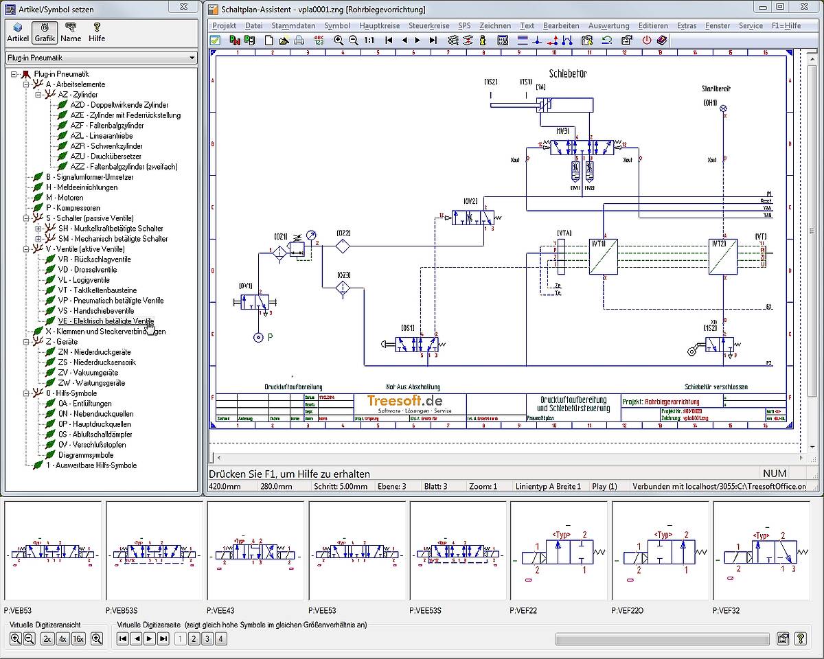
Das Plug-in Pneumatik enthält normgerechte Symbole nach DIN ISO 1219 für deine Dokumentationen in der Fluidtechnik. Treesoft CAD stellt dir hierbei selbstverständlich alle Logikfunktionen und Auswertungsfunktionen für eine einfache und schnelle Erstellung von Pneumatikplänen zur Verfügung. Durch die Autoconnecting-Funktionen werden die Verbindungen deiner Bauteile automatisch erzeugt. Die seitenübergreifende Projektierung von komplexen Anlagen sowie die Querverweiserstellung mit Navigatiosfunktion für verteilt dargestellte Elemente gehören ebenso zum Funktionsumfang, wie die automatische Erstellung von Stücklisten.
Mehr Leistung
Die Symbolbibliothek ist Bestandteil unseres Starterpakets Fluidtechnik.
Weitere Beiteilkataloge und Symbolbibliotheken
Bauteilkatalog PILZ Steuerungstechnik
Projektierung von PILZ Baugruppen für die Steuerungstechnik (Sensorik, Schaltgeräte, Kleinsteuerungen)
Bauteilkatalog MDT technologies - KNX Smart Home
Projektierung von MDT technologies Bauteilen und KNX Smart Home (Spannungsversorgungen, Systemgeräten, Binäreingängen, Schalt-/Jalousie-/Dimm-/ und Heizungsaktoren)
Bauteilkatalog PULS Stromversorgungen
Projektierung von PULS Stromversorgungen (Hutschienen-Netzteile mit Symbolen für den Schaltplan sowie Ansichten für den Schaltschrank)
Symbolbibliothek Photovoltaik
Mit der Treesoft CAD Symbolbibliothek Photovoltaik planst du Photovoltaik-Anlagen deiner Kunden. Die Bibliothkek umfasst alle relevanten Symbole, wie Wechselrichter und Solarmodule
Symbolbibliothek Hydraulik
Normgerechte Erstellung von Hydraulikplänen / Fluidplänen
- für Steuerungstechnik
- für Gebäudetechnik
- für Fluidtechnik
- Treesoft CAD Starterpakete
- Treesoft CAD Zusatzmodule
- ASCII Universal Exportfilter
- Fremdsprachenübersetzung
- Intelligenter PDF-Export
- CAD Konverter PDF/DXF/DWG
- Schaltplankonfigurator
- Erweiterung Symbole + Bauteile
- Gebäudetechnik-Assistent
- Verteilerplan-Assistent
- Schaltschrank-Assistent
- SPS-Assistent
- Web-Export
- Angebotsgenerator zu MS Word
- DATANORM Importschnittstelle
- ELDANORM Importschnittstelle
- ZVEHNORM Importschnittstelle
